当前位置:首页  »  产品展示  »  东崎仪表
上海市杨浦区荆州路334弄108号3号楼
021-53080555
13621668209(微信同号)13611981806(微信同号)
点击这里给我发消息点击这里给我发消息点击这里给我发消息
http://www.sh-hddy.com/

手机浏览

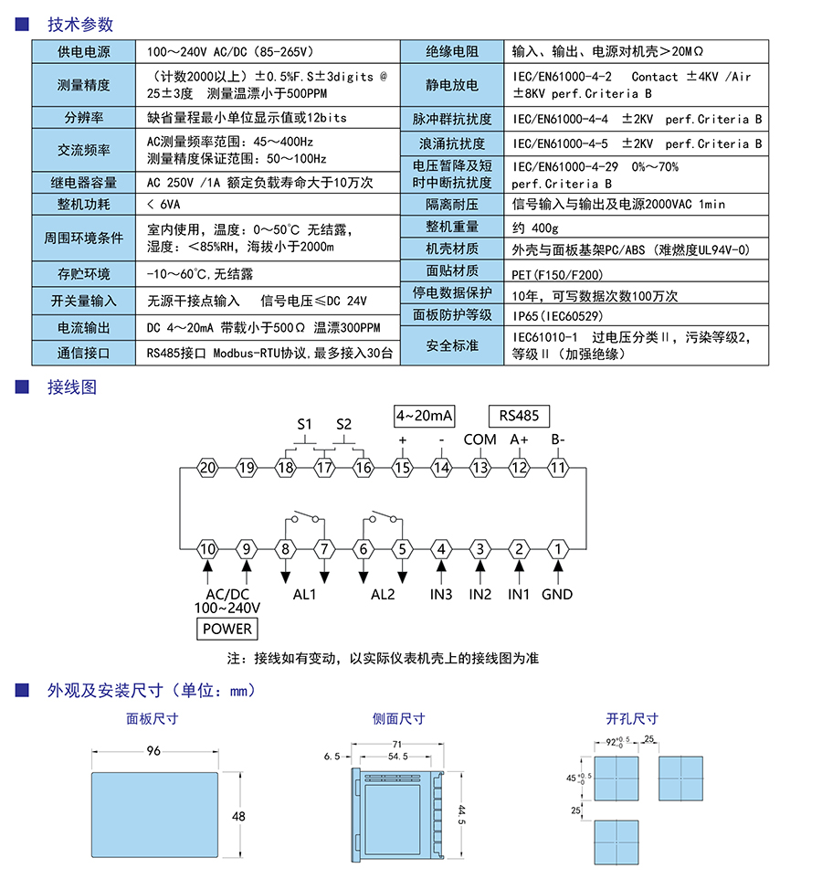
DL系列智能电压电流表
四位半显示高分辨率、高精度测量显示
单表多通道输入:电压表:6V,60V,600V;2V,20V,200V;1V,10V,100V;
                          电流表:2A,0.2A,0.02A;5A;75mV;
两路开关量输入(DI),可选两路报警输出,4~20mA变送输出,RS485通信功能
交流直流通用测量,无需区分交直流输入信号
自由切换输入通道及量程,交流有效值测量,直流有±极性显示
咨询热线:021-53080555
产品详情







  • 品质保障

    多权威认证,品质有保证
  • 专业团队

    专业、创新、高效
  • 技术设备

    技术专业、设备先进
  • 优质服务

    信誉至上、用户第一
  • copyright© 2020 上海华盾电器仪表有限公司. All Rights Reserved.沪ICP备2020027401号

      沪公网安备 31010102006668号

    咨询
    热线

    021-53080555
    服务热线

    手机
    微信

    手机 微信 13621668209(微信同号)13611981806(微信同号)

    手机
    浏览

    手机浏览
    顶部
    ×
    在线咨询
    咨询对像:
    *
    姓名:
    *
    手机号:
    *
    咨询内容:
    验证码:
    *