当前位置:首页  »  产品展示  »  东崎仪表
上海市杨浦区荆州路334弄108号3号楼
021-53080555
13621668209(微信同号)13611981806(微信同号)
点击这里给我发消息点击这里给我发消息点击这里给我发消息
http://www.sh-hddy.com/

手机浏览

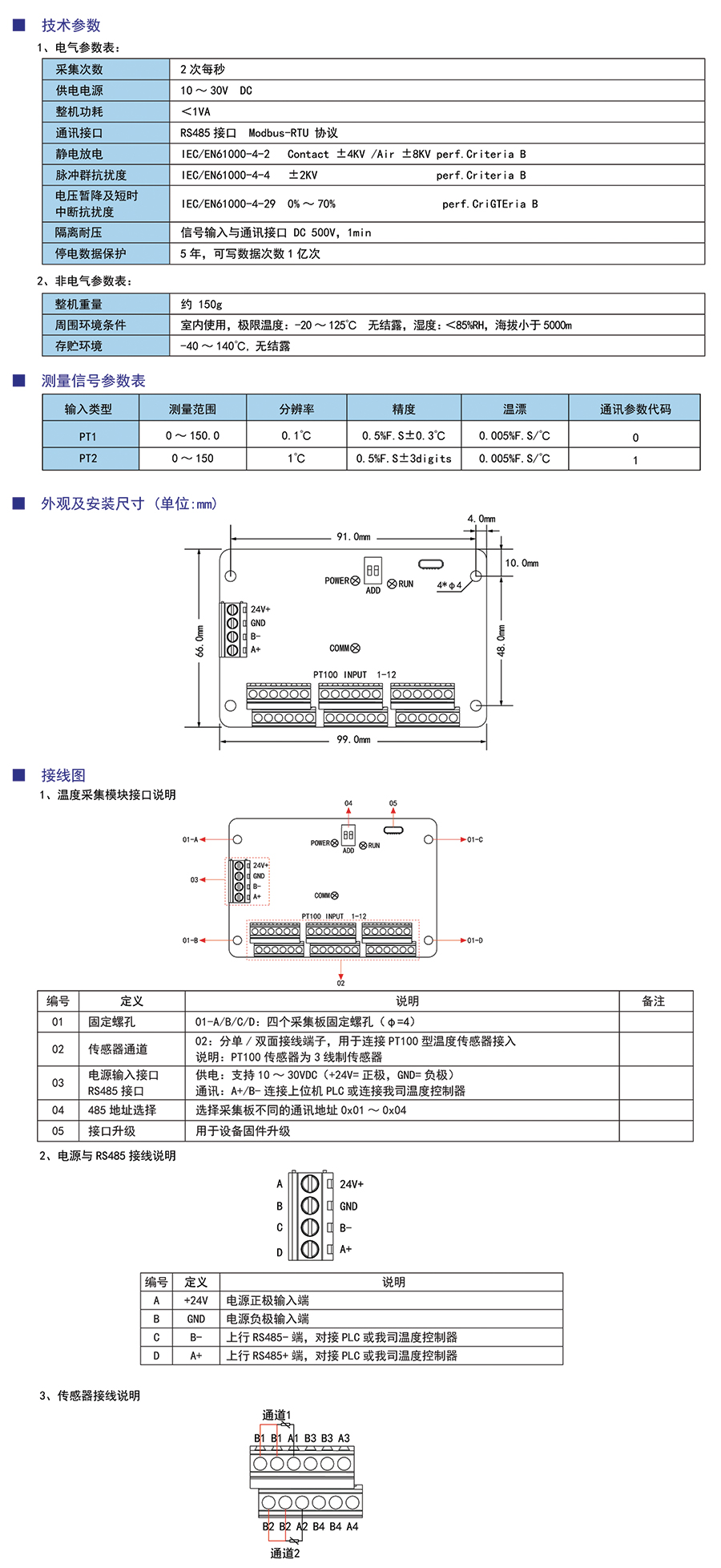
T530A(B)(T52L)系列4/8/12路温度采集板
PT100输入,温度单位华氏或摄氏可选择
具有测量、断线检测、RS485通讯等功能
通讯地址可通过拨动开关设置
本产品应用于锂电池高真空烘烤设备中
本产品可配套控制器使用或单独温度采集使用
咨询热线:021-53080555
产品详情






  • 品质保障

    多权威认证,品质有保证
  • 专业团队

    专业、创新、高效
  • 技术设备

    技术专业、设备先进
  • 优质服务

    信誉至上、用户第一
  • copyright© 2020 上海华盾电器仪表有限公司. All Rights Reserved.沪ICP备2020027401号

      沪公网安备 31010102006668号

    咨询
    热线

    021-53080555
    服务热线

    手机
    微信

    手机 微信 13621668209(微信同号)13611981806(微信同号)

    手机
    浏览

    手机浏览
    顶部
    ×
    在线咨询
    咨询对像:
    *
    姓名:
    *
    手机号:
    *
    咨询内容:
    验证码:
    *